二维搜索
Sketch the part you are looking for or have a photo described in text form
Create image description with AI
Create image description with AI
Drop file here
支持的文件格式: .PNG, .JPG, .JPEG, .WEBP
1/5
1
1
2|0
3
4
4
0
0
0
0
0
0
0
0
0
0

6834065

Expand Table
EN
1/5
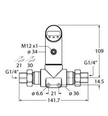
Maßzeichnung
MASSZEICHNUNG
Product number of the Manufacturer
BMENB
Short Description
DESCSHORT
Long Description
DESCLONG
EAN
Manufacturer Name
MANUNAME
Manufacturer Type Description
MANUTYPEDESC
Packaging quantity
NO_CU_PER_OU
Deeplink
DEEPLINK
1
6834065
Differential Pressure Sensor, With current output and PNP/NPN Transistor Switchi
Differential Pressure Sensor, With current output and PNP/NPN Transistor Switching Output, Output 2 Programmable as Switching Output, Operating voltage 18…30 VDC, Pressure monitoring in harsh industrial environments, Housing is rotatable after plugging the process connection, Reading of adjusted values without tool, High-side switch, Recessed pushbutton, keylock and password for secure programming, Permanent indication of pressure (bar, psi, kPa, MPa, misc), Peak pressure memory, Pressure range 0…16 bar diff.
4047101430790
Turck
PS016D-501T-LI2UPN8X-H1141
1
Deeplink
显示压缩表示形式 (1 Produkt)
订购编码6834065
ShorttextDifferential Pressure Sensor, With current output and PNP/NPN Transistor Switchi
上次修改25.01.2024 12:11:29
单位

分类

CNS

CNSERPBASE Object Properties
Order Number6834065